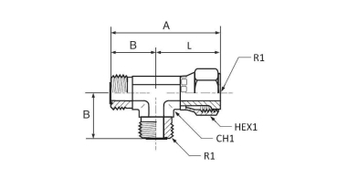
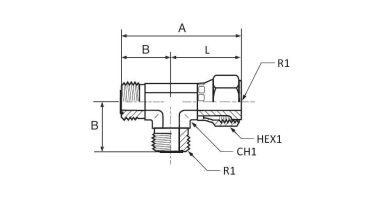
UNF-Gewinde (ORFS)

1 bis 6 (von insgesamt 6)